ENVÍO GRATIS EN PEDIDOS $ 1,000 + * Continental US ¡LLÁMENOS HOY! (305) 888-2405 o LLAME/TEXTO (786) 614-2440
Dynamc 250 hyd facer assy
Mcelroyparts.com
$6,324.00
Dynamc 250 brace
$163.00
Dynamc 250 lf rod gland
$251.00
Dynamc 250 tie rod
$51.15
Dynamc 250 low force cyl
$230.00
Dynamc 250 guide rod
$385.00
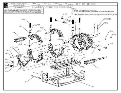
DYNAMC250 AUTOMATIC LF CRG ASY
$14,996.00
Dynamc lf cyl assy set
$3,046.00
DM250AUTO 220-240,50/60 F/MASY
$32,596.00
DM250AUTO 110-120,50/60 F/MASY
Dynamc 250 inner fix jaw
$938.00
Dynamc 250 movable jaw
Dynamc 250 outer fix jaw
28 stub end hldr handwheel
$257.00
28 stub end holder jaw base
$182.00
28 stub end holder jaw
$202.00
28 stub end holder assy
$4,733.00
26 ht guide rod bracket
$105.00
160MM KNIFE EDGE LOWER INSERT
$174.00
26 GUIDE ROD BRACKET FOR
$74.40
DYNAMC 28 GUIDE ROD BRACKET
$83.81
Dynamc elec facer bearing cap
$164.00
Dynamc 250 guide rod bracket
$115.00
Dynamc elec facer shaft
$421.00