CALL US TODAY! ENGLISH (786) 614-2440, SPANISH (786) 238-2675, MEXICO +52 55 4080 8858 NEED A QUOTE? CLICK HERE
8ips cncv h/a
Mcelroyparts.com
$658.00
Q1 8ips cncv h/a
$327.00
Q1 8IPS CNCV H/A
$185.00
$0.00
6ips cncv h/a
Q1 6ips cncv h/a
Q1 6IPS CNCV H/A
$207.00
$170.00
4IPS CNCV H/A
$483.00
Q1 4ips cncv h/a
$273.00
Q1 4IPS CNCV H/A
$173.00
3ips cncv h/a
Q1 3ips cncv h/a
Q1 3IPS CNCV H/A
Q1 2ips cncv h/a
Q1 2IPS CNCV H/A
Q1 1-1/2IPS CNCV H/A
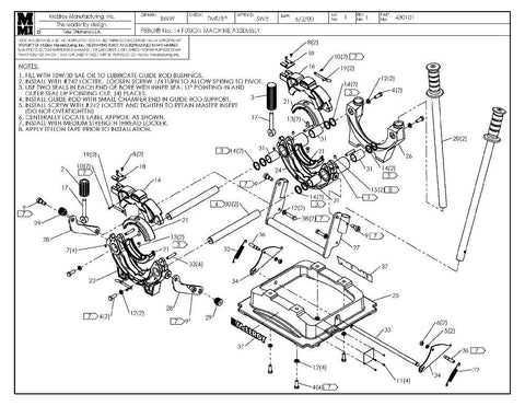
Pb 14 f/m assy
$2,531.00
56MM INSERT SET
$216.00
COVER PLATE
$136.00