CALL US TODAY! ENGLISH (786) 614-2440, SPANISH (786) 238-2675, MEXICO +52 55 4080 8858 NEED A QUOTE? CLICK HERE
T412 stretch tie rod
Mcelroyparts.com
$163.00
T412 tensioner kit
$429.00
T412/618 track assy fitng kit
$62.78
T412/T618 AUTO HTR RCP CBL ASY
$341.00
T412/t618 auto juncn board mod
$543.00
T412/t618 auto linear xdcr mod
$2,131.00
T412/T618 AUTO>MANUAL CONV KIT
$3,491.00
T412/t618 chassis fitting kit
$895.00
T412/t618 chassis hose kit
$1,805.00
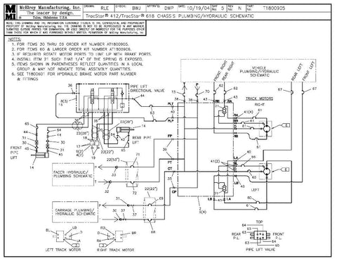
T412/t618 chassis hyd/plb sch
$9,812.00
T412/t618 cowling assy
$4,400.00
T412/t618 diesel pwr pack assy
$23,418.00
T412/T618 ELECTRICAL POWER ASY
$1,772.00
T412/t618 eng fan rmv&rpl kit
$153.00
T412/t618 front cowling kit
$1,071.00
T412/t618 fuel solenoid mod
$562.00
T412/t618 fuse box assy
$660.00
T412/t618 gen cowling sprt kit
$47.85
T412/T618 GEN RETROFIT KIT
$0.00
T412/T618 GENERATOR MOD
$1,453.00
T412/t618 gfci recpt assy
$1,480.00
T412/t618 gfci retrofit kit
$1,699.00
T412/t618 heater carrier kit
$547.00
T412/t618 htr carr retro kit
$711.00